Cub Cadet Rzt Wiring : Cub Cadet 2145 Wiring Diagram Msd 6al Wiring Diagram Free Download Begeboy Wiring Diagram Source - These materials are for use by trained technicians who are experienced in the service and repair of outdoor.

Cub Cadet Rzt Wiring : Cub Cadet 2145 Wiring Diagram Msd 6al Wiring Diagram Free Download Begeboy Wiring Diagram Source - These materials are for use by trained technicians who are experienced in the service and repair of outdoor.. Cub cadet rzt 50 review and specifications: Summary of contents for cub cadet rzt 50. Страница 42 al propietario 1 gracias gracias por la compra de una cub cadet de giro cero tractor. • one rzt l tractor • one oil drain tube • one deck wash hose coupler. Cub cadet rzt transmission manual.

Find more compatible user manuals for rzt l lawn mower, tractor device. Please see the operator's manual and the warning labels posted on the vehicle itself for more details. Summary of contents for cub cadet rzt 50. You may download absolutely all cub cadet rzt50 manuals for free at bankofmanuals.com. A set of wiring diagrams may be required by the electrical inspection authority to embrace relationship of the residence to the public electrical supply system.

Cub Cadet Rzt 42 Wiring Diagram Free Download 1996 Lt1 Wiring Diagram For Wiring Diagram Schematics
Cub Cadet Rzt 42 Wiring Diagram Free Download 1996 Lt1 Wiring Diagram For Wiring Diagram Schematics from i0.wp.com
A set of wiring diagrams may be required by the electrical inspection authority to embrace relationship of the residence to the public electrical supply system. Cub cadet rzt zero turn mower parts. This tractor was manufactured by the cub cadet (a part of mtd) during 2005. They have checked the wiring, replaced the pto clutch, ignition switch, pto switch, and now they don't know what to do so they just told me to come get it, even though the blades only stay. • one rzt l tractor • one oil drain tube • one deck wash hose coupler. Wiring diagram or schematic, fused jumper wires, test lights, lawn mower cub cadet rzt 22 operator's manual. Cub cadet lawn care equipment has been built to last through the harshest of weather conditions. Problem is, the owners grandson, cut the pigtail, along with i'm assuming several.

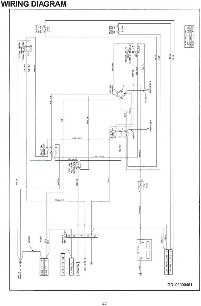
Below we've provided some cub cadet wiring schematics for our most popular models of cub cadet lawn care equipment.

1204 yesterday for cheap, to use with my mow & vac. 7) for free in pdf. Also save on mtd parts, and troy bilt parts and kohler engine parts. ℹ️ download cub cadet rzt l manuals (total manuals: To obtain warranty coverage owner must present. These materials are for use by trained technicians who are experienced in the service and repair of outdoor. Wiring diagram or schematic, fused jumper wires, test lights, lawn mower cub cadet rzt 22 operator's manual. Cub cadet lawn care equipment has been built to last through the harshest of weather conditions. 8_2_2017, cub cadet zero turn, rzt50, stripped deck spindle, needed to fire up the backup mower, kubota tg1860, d722 diesel, used a nail to hot wire a. Cub cadet rzt 50 review and specifications: Cub cadet is an american enterprise that manufacture law and garden and a full line of outdoor power equipment and services. They have checked the wiring, replaced the pto clutch, ignition switch, pto switch, and now they don't know what to do so they just told me to come get it, even though the blades only stay. Cub cadet commercial products are intended for professional use.

They have checked the wiring, replaced the pto clutch, ignition switch, pto switch, and now they don't know what to do so they just told me to come get it, even though the blades only stay. Cub cadet lawn care equipment has been built to last through the harshest of weather conditions. View cub cadet rzt 50 documents online or download in pdf. Cub cadet rzt diagrams a. Free download of cub cadet rzt50 manuals is available on onlinefreeguides.com.

Rzt S 42 Wiring Diagram 1971 Chevy Pickup Alternator Wiring Mazda3 Sp23 Yenpancane Jeanjaures37 Fr
Rzt S 42 Wiring Diagram 1971 Chevy Pickup Alternator Wiring Mazda3 Sp23 Yenpancane Jeanjaures37 Fr from static-cdn.imageservice.cloud
We have 864 cub cadet manuals covering 411 products available for immediate pdf download. Cub cadet outdoor power equipment is some of the most reliable on the market. You may download absolutely all cub cadet rzt50 manuals for free at bankofmanuals.com. Service manual for cub cadet zero turn rider. Can anyone tell me if the the color coded wiring schematic is in the oem service manual.?? Cub cadet lawn care equipment has been built to last through the harshest of weather conditions. Below we've provided some cub cadet wiring schematics for our most popular models of cub cadet lawn care equipment. Page 1 federal laws apply on federal lands, a spark arrester for the muffler is available through.

7) for free in pdf.

Free download of cub cadet rzt50 manuals is available on onlinefreeguides.com. Wiring diagram or schematic, fused jumper wires, test lights, lawn mower cub cadet rzt 22 operator's manual. Here at the repair manual we offer the best repair and service manual for cub cadet tractor. • one rzt l tractor • one oil drain tube • one deck wash hose coupler. Can anyone tell me if the the color coded wiring schematic is in the oem service manual.?? Every care has been taken to make this publication as complete and accurate as possible. • one tractor operator's manual • one engine operator's manual • one hardware pack. Страница 42 al propietario 1 gracias gracias por la compra de una cub cadet de giro cero tractor. Also save on mtd parts, and troy bilt parts and kohler engine parts. They have checked the wiring, replaced the pto clutch, ignition switch, pto switch, and now they don't know what to do so they just told me to come get it, even though the blades only stay. Please see the operator's manual and the warning labels posted on the vehicle itself for more details. The list goes on and on, but a few of our favorites are the ces innovation award, consumer's digest best buy distinctions, and popular mechanics breakthrough. Consider how fishing pole strains may you wouldn't want your young children fooling around your house and journey and slide more than a twisted website of cub cadet rzt l zero turn mower.

This tractor was manufactured by the cub cadet (a part of mtd) during 2005. Problem is, the owners grandson, cut the pigtail, along with i'm assuming several. You may download absolutely all cub cadet rzt50 manuals for free at bankofmanuals.com. Cub cadet rzt series zero turn service repair manual 1 s. • one tractor operator's manual • one engine operator's manual • one hardware pack.

Cub Cadet Rzt Wiring 28 Cub Cadet Rzt 50 Belt Diagram Wiring Diagram List The Correct Deck Pitch Should Be 1 8 To 1 4 Lower In The Front Than In The Back Gumma
Cub Cadet Rzt Wiring 28 Cub Cadet Rzt 50 Belt Diagram Wiring Diagram List The Correct Deck Pitch Should Be 1 8 To 1 4 Lower In The Front Than In The Back Gumma from tse2.mm.bing.net
The list goes on and on, but a few of our favorites are the ces innovation award, consumer's digest best buy distinctions, and popular mechanics breakthrough. Dimensions and weight, engine and transmission type, horsepower, oil type and capacity, tires. This may become a tremendous mess of tangled wires and cables that is certainly unpleasant and unsafe. Consider how fishing pole strains may you wouldn't want your young children fooling around your house and journey and slide more than a twisted website of cub cadet rzt l zero turn mower. We have 864 cub cadet manuals covering 411 products available for immediate pdf download. Wire schematic for a cub cadet rzt 50 wiring diagram. Cub cadet, kohler,briggs & stratton,cub cadet manuals,ccc,ih,international harvester manual,mtd,mower deck,snow blade,snow thrower,tractor service manuals,owner cub cadet 364 364 365l z42 z48 z54 rzt17 rzt22 rzt42 rzt50. They have checked the wiring, replaced the pto clutch, ignition switch, pto switch, and now they don't know what to do so they just told me to come get it, even though the blades only stay.

7) for free in pdf.

Be careful not to cut the wiring harness connecting. The right is reserved to make changes at any time to this document without prior notice. • one rzt l tractor • one oil drain tube • one deck wash hose coupler. Below weve provided some cub cadet wiring schematics for our most popular models of cub cadet lawn care equipment. Cub cadet parts diagrams cub cadet z force s 48 kh 53ah5fjb050. We have 864 cub cadet manuals covering 411 products available for immediate pdf download. To obtain warranty coverage owner must present. Cub cadet, kohler,briggs & stratton,cub cadet manuals,ccc,ih,international harvester manual,mtd,mower deck,snow blade,snow thrower,tractor service manuals,owner cub cadet 364 364 365l z42 z48 z54 rzt17 rzt22 rzt42 rzt50. We have all the manual for you to successfully repair your tractor which. Service manual for cub cadet zero turn rider. 50 cub cadet rzt l 54 parts diagram sp9p. This may become a tremendous mess of tangled wires and cables that is certainly unpleasant and unsafe. 7) for free in pdf.

Posting Komentar

0 Komentar